Ball Transfer Unit - GSBM-B-FL Series

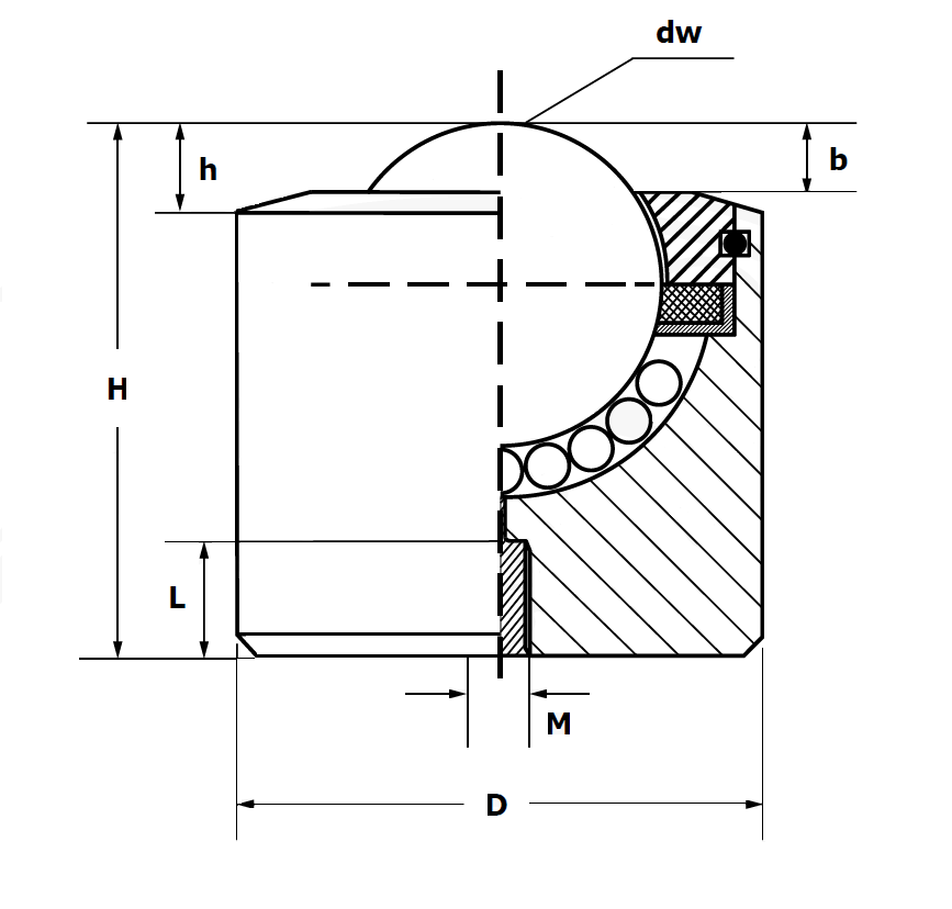
Model No Version dW D h H b M L Loading Capacity(Kg) ⤒ Loading Capacity(Kg) ⤓ W(Kg) Download


GSBM 12 B FL int.
Body made up of zinc plated steel, balls made of AISI 52100 chrome steel.

12


22 ± 0,08


5,5 ± 0,2


24


3


8


5


20


15


0,035


GSBM 15 B FL int. same as above 15 24 ± 0,08 5 ± 0,2 28 - 8 8 50 35 0,050
GSBM 22 B FL int. same as above 22 36 ± 0,08 5,3 ± 0,2 40,5 4 8 10 180 125 0,170
GSBM 30 B FL int. same as above 30 45 ± 0,08 8 ± 0,3 46,8 8,5 8 10 350 250 0,330
GSBM 45 B FL int. same as above 45 62 ± 0,1 13 ± 0,3 63,5 10 8 10 600 420 0,945


GSBM 12 C FL int.
Body made up of zinc plated steel, balls made of AISI 420C stainless steel.

12


22 ± 0,08


5,5 ± 0,2


24


3


8


5


15


10


0,035


GSBM 15 C FL int. same as above 15 24 ± 0,08 5 ± 0,2 28 - 8 8 40 25 0,050
GSBM 22 C FL int. same as above 22 36 ± 0,08 5,3 ± 0,2 40,5 4 8 10 130 90 0,170
GSBM 30 C FL int. same as above 30 45 ± 0,08 8 ± 0,3 46,8 8,5 8 10 240 170 0,330
GSBM 45 C FL int. same as above 45 62 ± 0,1 13 ± 0,3 63,5 10 8 10 400 280 0,945




GSBM 12 BD FL int.
Body made up of zinc plated steel, big ball made of plastic*, small balls made of AISI 52100 Chrome steel.



12




22 ± 0,08




5,5 ± 0,2




24




3




8




5




5




-




0,035




GSBM 15 BD FL int. same as above 15 24 ± 0,08 5 ± 0,2 28 - 8 8 13 - 0,050
GSBM 22 BD FL int. same as above 22 36 ± 0,08 5,3 ± 0,2 40,5 4 8 10 20 - 0,170
GSBM 30 BD FL int. same as above 30 45 ± 0,08 8 ± 0,3 46,8 8,5 8 10 25 - 0,330
GSBM 45 BD FL int. same as above 45 62 ± 0,1 13 ± 0,3 63,5 10 8 10 30 - 0,945

Let us work towards your success

Join the team of winning people.
Contact Us